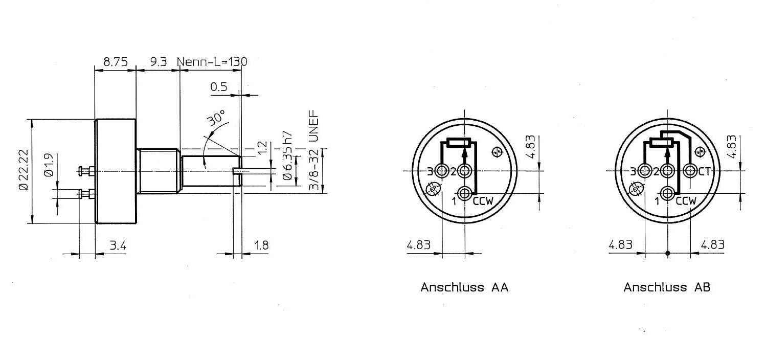
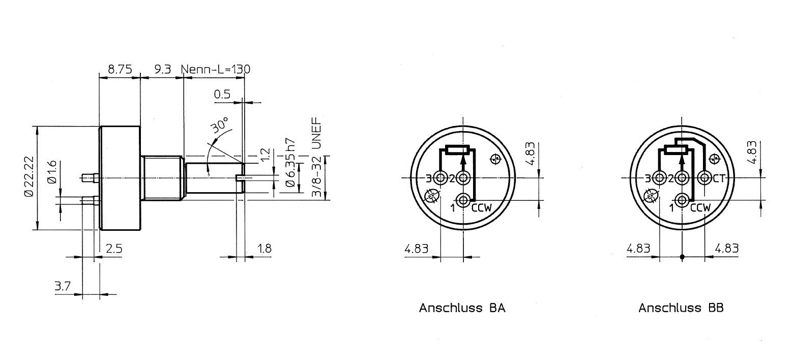
瑞士CONTELEC角度傳感器,多種規格:0-150°.....354°,使用壽命長:100000000次操作;空心軸角度傳感器,多圈角度傳感器6...100圈。 PL300系列 角度位移傳感器,導電塑料電位器技術,壽命1千萬次,工作量程0-340° ,線性度±1%,可訂購中心抽頭。 產品型號:PL300 1KO AA130UK、 PL300 5KO AA130UK、 PL300 10KO AA130UK、PL300 1KO AA130FK、PL300 5KO AA130FK PL300 10KO AA130FK、PL300 1KO BA130UK、PL300 5KO BA130UK 、PL300 10KO BA130UK、PL300 2*5KO/M BBU 2*105。
位移傳感器
- 產品概述和特點
- 技術參數
- 安裝圖及配件
- 相關下載
瑞士CONTELEC角度傳感器,多種規格:0-150°.....354°,使用壽命長:100000000次操作;空心軸角度傳感器,多圈角度傳感器6...100圈。PL300系列 角度位移傳感器,導電塑料電位器技術,壽命1千萬次,工作量程0-340° ,線性度±1%,可訂購中心抽頭。
產品訂購型號:
PL300 1KO AA130UK
PL300 5KO AA130UK
PL300 10KO AA130UK
PL300 1KO AA130FK
PL300 5KO AA130FK
PL300 10KO AA130FK
PL300 1KO BA130UK
PL300 5KO BA130UK
PL300 10KO BA130UK
PL300 2*5KO/M BBU 2*105
技術參數:
產品尺寸圖:



相關推薦
-
KR-A1/V1/V2 自復位位移傳感器
MORE -
KDW-A1/V1/V2 拉桿式位移傳感器
MORE -
KR R2/R5 自復位位移傳感器
MORE -
KDW-R2/R5 拉桿式位移傳感器
MORE -
KDW導電塑料直線位移傳感器
MORE -
KR 導電塑料直線位移傳感器(自復位)
MORE -
TWK 251
MORE -
VOL-- RS 485
MORE -
VOL系列 信號模塊 經濟型
MORE -
DSP 導軌式 經濟型
MORE -
MUP080 信號模塊 德國進口
MORE -
MUP100 信號模塊 德國進口
MORE -
MUP110 160 信號模塊 德國進口
MORE -
MUP400 信號模塊 德國進口
MORE -
MUW250 信號模塊 德國進口
MORE -
MUK350 信號模塊 德國進口
MORE -
AE系列 模擬量 臺灣產
MORE -
JJX8800-1 數字量 臺灣產
MORE -
JJX8800-2/3 數字量 臺灣產
MORE -
DAE 編碼器 臺灣產
MORE -
PAM 編程高數表 臺灣產
MORE -
TAM 壓力表 臺灣產
MORE -
VOLFA--TIP系列磁致伸縮位移傳感器
MORE -
LVDT
MORE -
BTL6
MORE -
安全限位開關-E400
MORE -
TCP
MORE -
MFH 耐高壓接近開關
MORE -
氣動三角閥
MORE -
差分信號表(5V)
MORE -
控制器
MORE -
DPT 導軌式信號模塊 臺灣產
MORE -
光柵尺信號采集卡JJX-6000
MORE -
PT1000壓力傳感器
MORE -
PT-700壓力傳感器
MORE -
PT-201經濟型壓力
MORE -
S型拉壓力TDS
MORE -
S型拉壓力TKS
MORE -
柱式拉壓力TES
MORE -
柱式拉壓力THS
MORE -
柱式拉-傳感器TLS
MORE -
稱重/荷重TQS1(輪輻式)
MORE -
稱重/荷重-TQS2(輪輻式)
MORE -
稱重---PSD SJTT
MORE -
稱重/荷重TPS1(輪輻式)
MORE -
稱重/荷重TPS2(輪輻式)
MORE -
稱重/荷重TMS(輪輻式)
MORE -
稱重/荷重 -TFS(輪輻式)
MORE -
角度PL130系列
MORE -
角度PL240系列
MORE -
角度PL310系列
MORE -
角度PL320系列
MORE -
角度PL340系列
MORE -
角度PL360系列
MORE -
空心軸 GL-60、100、200 系列
MORE -
WAL300/305系列
MORE -
直線 KL系列
MORE -
ML 系列
MORE -
非接觸Vert-X 13
MORE -
非接觸Vert-X 16
MORE -
非接觸Vert-X 21
MORE -
非接觸Vert-X 22
MORE -
非接觸Vert-X 28
MORE -
非接觸Vert-X 28 HD
MORE -
非接觸Vert-X 37
MORE -
非接觸Vert-X 51
MORE -
角度PD200/210
MORE -
角度PD2210系列
MORE -
角度PD2310系列
MORE -
角度PD550系列
MORE -
非接觸Vert-X 05E
MORE -
非接觸Vert-X 13E
MORE -
非接觸Vert-X 22E
MORE -
非接觸Vert-X 27E
MORE -
非接觸Vert-X 31E
MORE -
非接觸Vert-X 37E
MORE -
非接觸Vert-x 90E
MORE -
BIP/BIL
MORE -
SX50系列
MORE -
SX80系列
MORE -
SX120系列
MORE -
SX135系列
MORE -
差動變壓SL系列
MORE -
差動變壓SM系列
MORE -
耐壓差動SMHYD-F18
MORE -
差動變壓SM-HYD
MORE -
電渦流 TX系列
MORE -
電渦流 IC系列
MORE -
電渦流 CMSS系列
MORE -
Panasonic激光傳感器
MORE -
Mic+130/DIU/TC
MORE -
HPD系列(防水IP65 可以替換honeywell)
MORE -
激光 LAM系列
MORE -
激光 LAS系列
MORE -
VOLFA 拉桿 LWF-100-A1
MORE -
磁致伸縮/TEP系列
MORE -
SM 12 系列
MORE -
SM 30 系列
MORE -
SM 50 系列
MORE -
SL1 超薄型 20*30
MORE -
SL2 厚度 27*38
MORE -
ESSA SL32*55
MORE -
NOVO角度 P2200
MORE -
NOVO角度 P2500
MORE -
NOVO角度 多聯P2500
MORE -
NOVO角度 SPK2500
MORE -
角度/接觸式/P4501
MORE -
NOVO角度 P6501
MORE -
NOVO角度 P6501-4007
MORE -
NOVO角度 SP2800
MORE -
NOVO角度 IP6501
MORE -
NOVO角度 IPE6000
MORE -
NOVO角度 IPX7900
MORE -
NOVO角度 IPS6000
MORE -
NOVO角度 GP
MORE -
NOVO角度 IGP
MORE -
NOVO角度 AW360 ZE
MORE -
NOVO角度 AWS360 ZE
MORE -
NOVO角度 RSC2800單圈
MORE -
NOVO角度 RSM2800多圈
MORE -
RSB3600、RMB3600系列角度傳感器
MORE -
NOVO角度 RFD4000
MORE -
NOVO角度 RFC4800
MORE -
NOVO直線 LWH拉桿
MORE -
NOVO直線 TLH滑塊
MORE -
NOVO直線 TR/TRS系列
MORE -
NOVO直線 TE1 直接輸出模擬信號
MORE -
NOVO 直線 LS1
MORE -
NOVO直線 TEX帶復位彈簧
MORE -
NOVO直線TEX 拉桿
MORE -
NOVO直線 TEX帶球眼安裝
MORE -
NOVO直線TX2 球眼安裝
MORE -
NOVO直線 TX2 系列 帶安裝卡
MORE -
NOVO直線 LWG
MORE -
NOVO直線 LWX
MORE -
NOVO直線 TP1
MORE -
TF1 電感式 直線位移傳感器
MORE -
NOVO 直線 FTI
MORE -
NOVO 直線 F200g
MORE -
電感式位移傳感器 LWM 系列
MORE







掃碼關注我們