拉壓力傳感器,可測雙向拉壓力,1.5倍過載,最高0.02%的線性精度,多種信號輸出:0-10V,4-20mA。 柱式拉壓力傳感器TLS ●高精度,可靠性、穩(wěn)定性好 ●內螺紋拉壓兩用 ●結構緊湊、安裝使用方便,互換性好 ●可選量程:30kg~1.5t。
- 產品概述和特點
- 技術參數
- 安裝圖及配件
- 相關下載
技術參數:
材質
合金鋼
額定載荷
30、50、100、500(kg)、1、1.5(t)
精度
0.02~0.03%F.S
靈敏度
1.6±0.01mV/V(30kg~1t);2.0±0.01mV/V(1.5t)
推薦激勵電壓
5~10V DC
最大激勵電壓
15V DC
電纜
3m/Φ5mm
蠕變(30分鐘)
±0.02%F.S
零點平衡
±1%F.S
輸入阻抗
380±10Ω
輸出阻抗
350±2Ω
絕緣電阻
≥5000MΩ
環(huán)境參數
安全過載
120%F.S
極限過載
150%F.S
工作溫度
-30~+70℃
零點溫度影響
±0.05%F.S/10℃
輸出溫度影響
±0.05%F.S/10℃
外殼防護等級
IP67
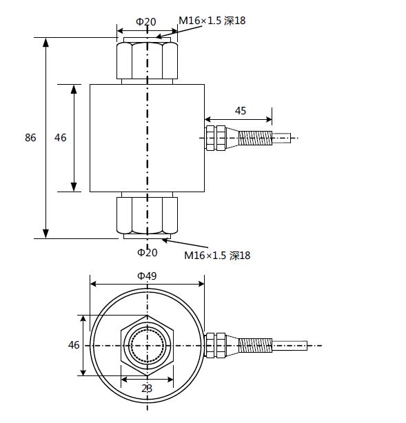
產品尺寸圖:
相關推薦
-
KR-A1/V1/V2 自復位位移傳感器
MORE -
KDW-A1/V1/V2 拉桿式位移傳感器
MORE -
KR R2/R5 自復位位移傳感器
MORE -
KDW-R2/R5 拉桿式位移傳感器
MORE -
KDW導電塑料直線位移傳感器
MORE -
KR 導電塑料直線位移傳感器(自復位)
MORE -
TWK 251
MORE -
VOL-- RS 485
MORE -
VOL系列 信號模塊 經濟型
MORE -
DSP 導軌式 經濟型
MORE -
MUP080 信號模塊 德國進口
MORE -
MUP100 信號模塊 德國進口
MORE -
MUP110 160 信號模塊 德國進口
MORE -
MUP400 信號模塊 德國進口
MORE -
MUW250 信號模塊 德國進口
MORE -
MUK350 信號模塊 德國進口
MORE -
AE系列 模擬量 臺灣產
MORE -
JJX8800-1 數字量 臺灣產
MORE -
JJX8800-2/3 數字量 臺灣產
MORE -
DAE 編碼器 臺灣產
MORE -
PAM 編程高數表 臺灣產
MORE -
TAM 壓力表 臺灣產
MORE -
VOLFA--TIP系列磁致伸縮位移傳感器
MORE -
LVDT
MORE -
BTL6
MORE -
安全限位開關-E400
MORE -
TCP
MORE -
MFH 耐高壓接近開關
MORE -
氣動三角閥
MORE -
差分信號表(5V)
MORE -
控制器
MORE -
DPT 導軌式信號模塊 臺灣產
MORE -
光柵尺信號采集卡JJX-6000
MORE -
PT1000壓力傳感器
MORE -
PT-700壓力傳感器
MORE -
PT-201經濟型壓力
MORE -
S型拉壓力TDS
MORE -
S型拉壓力TKS
MORE -
柱式拉壓力TES
MORE -
柱式拉壓力THS
MORE -
稱重/荷重TQS1(輪輻式)
MORE -
稱重/荷重-TQS2(輪輻式)
MORE -
稱重---PSD SJTT
MORE -
稱重/荷重TPS1(輪輻式)
MORE -
稱重/荷重TPS2(輪輻式)
MORE -
稱重/荷重TMS(輪輻式)
MORE -
稱重/荷重 -TFS(輪輻式)
MORE -
角度PL130系列
MORE -
角度PL240系列
MORE -
PL300系列
MORE -
角度PL310系列
MORE -
角度PL320系列
MORE -
角度PL340系列
MORE -
角度PL360系列
MORE -
空心軸 GL-60、100、200 系列
MORE -
WAL300/305系列
MORE -
直線 KL系列
MORE -
ML 系列
MORE -
非接觸Vert-X 13
MORE -
非接觸Vert-X 16
MORE -
非接觸Vert-X 21
MORE -
非接觸Vert-X 22
MORE -
非接觸Vert-X 28
MORE -
非接觸Vert-X 28 HD
MORE -
非接觸Vert-X 37
MORE -
非接觸Vert-X 51
MORE -
角度PD200/210
MORE -
角度PD2210系列
MORE -
角度PD2310系列
MORE -
角度PD550系列
MORE -
非接觸Vert-X 05E
MORE -
非接觸Vert-X 13E
MORE -
非接觸Vert-X 22E
MORE -
非接觸Vert-X 27E
MORE -
非接觸Vert-X 31E
MORE -
非接觸Vert-X 37E
MORE -
非接觸Vert-x 90E
MORE -
BIP/BIL
MORE -
SX50系列
MORE -
SX80系列
MORE -
SX120系列
MORE -
SX135系列
MORE -
差動變壓SL系列
MORE -
差動變壓SM系列
MORE -
耐壓差動SMHYD-F18
MORE -
差動變壓SM-HYD
MORE -
電渦流 TX系列
MORE -
電渦流 IC系列
MORE -
電渦流 CMSS系列
MORE -
Panasonic激光傳感器
MORE -
Mic+130/DIU/TC
MORE -
HPD系列(防水IP65 可以替換honeywell)
MORE -
激光 LAM系列
MORE -
激光 LAS系列
MORE -
VOLFA 拉桿 LWF-100-A1
MORE -
磁致伸縮/TEP系列
MORE -
SM 12 系列
MORE -
SM 30 系列
MORE -
SM 50 系列
MORE -
SL1 超薄型 20*30
MORE -
SL2 厚度 27*38
MORE -
ESSA SL32*55
MORE -
NOVO角度 P2200
MORE -
NOVO角度 P2500
MORE -
NOVO角度 多聯P2500
MORE -
NOVO角度 SPK2500
MORE -
角度/接觸式/P4501
MORE -
NOVO角度 P6501
MORE -
NOVO角度 P6501-4007
MORE -
NOVO角度 SP2800
MORE -
NOVO角度 IP6501
MORE -
NOVO角度 IPE6000
MORE -
NOVO角度 IPX7900
MORE -
NOVO角度 IPS6000
MORE -
NOVO角度 GP
MORE -
NOVO角度 IGP
MORE -
NOVO角度 AW360 ZE
MORE -
NOVO角度 AWS360 ZE
MORE -
NOVO角度 RSC2800單圈
MORE -
NOVO角度 RSM2800多圈
MORE -
RSB3600、RMB3600系列角度傳感器
MORE -
NOVO角度 RFD4000
MORE -
NOVO角度 RFC4800
MORE -
NOVO直線 LWH拉桿
MORE -
NOVO直線 TLH滑塊
MORE -
NOVO直線 TR/TRS系列
MORE -
NOVO直線 TE1 直接輸出模擬信號
MORE -
NOVO 直線 LS1
MORE -
NOVO直線 TEX帶復位彈簧
MORE -
NOVO直線TEX 拉桿
MORE -
NOVO直線 TEX帶球眼安裝
MORE -
NOVO直線TX2 球眼安裝
MORE -
NOVO直線 TX2 系列 帶安裝卡
MORE -
NOVO直線 LWG
MORE -
NOVO直線 LWX
MORE -
NOVO直線 TP1
MORE -
TF1 電感式 直線位移傳感器
MORE -
NOVO 直線 FTI
MORE -
NOVO 直線 F200g
MORE -
電感式位移傳感器 LWM 系列
MORE







掃碼關注我們